
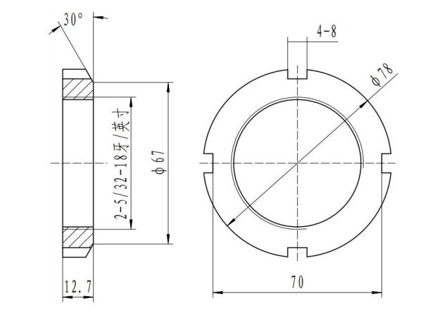
G0006045 КОМПЛЕКТ КОНТРГАЙКИ ПОДШИПНИКА Запасные части для насоса Mission
Описание запасных частей для насоса Mission
Запасные части для насоса Mission разработаны для обеспечения исключительной долговечности и точной работы в сложных промышленных условиях. Изготовленные из высококачественных материалов, таких как закаленная сталь, коррозионностойкие сплавы и современные композиты, эти компоненты обеспечивают долгосрочную надежность даже в экстремальных условиях эксплуатации.
| PN | ОПИСАНИЕ |
| G0006003 | КОРПУС НАРУЖНОГО ПОДШИПНИКА |
| G0006283 | ШПОНКА МУФТЫ |
| G0006035 | УПЛОТНЕНИЕ КРЫЛЬЧАТКИ, УПЛОТНИТЕЛЬНОЕ КОЛЬЦО |
| G0006002 | ВАЛ |
| G0006008 | НАРУЖНЫЙ ПОДШИПНИК |


Строгие процессы контроля качества соответствуют отраслевым стандартам, таким как сертификаты API и ISO, гарантируя совместимость с оригинальными системами насосов Mission, сводя к минимуму время простоя для технического обслуживания. Разработанные для бесшовной интеграции, эти запасные части оптимизируют эффективность насоса, поддерживая жесткие допуски и гидравлический баланс. Испытанные в полевых условиях в нефтегазовой, горнодобывающей и водоочистной отраслях, они неизменно демонстрируют снижение износа и потребления энергии по сравнению с общими аналогами.

Все запасные части соответствуют международным стандартам (ISO, API, ANSI) и поставляются с отслеживаемой документацией, включая сертификаты испытаний материалов и взрывозащищенные сертификаты, где это применимо. Это гарантирует соответствие требованиям безопасности в нефтегазовом, горнодобывающем и химическом секторах.
FAQ
1. Кто мы?
Topland - интегрированный поставщик, основанный в 2008 году. Мы являемся глобальной группой поставщиков нефтепромыслового оборудования с отличными командами в более чем 5 странах, таких как ОАЭ, Кувейт, Иран и Саудовская Аравия. Мы сотрудничаем с ADES, ECDE, EDC, SOCAR-AQS, PDL, SAKSON, ONGC и т. д.
2. Как мы можем гарантировать качество?
Всегда двойные требования и проверка чертежей перед производством;
Всегда окончательная проверка перед отправкой;
3. Что вы можете купить у нас?
Оборудование для буровых установок и соответствующие запасные части для нефтегазовой промышленности. Такие как компоненты буровых установок, запасные части для лебедок и запасные части для шламовых насосов, гидравлические дисковые тормоза, оборудование для контроля твердых частиц, буровые и рыболовные инструменты, оборудование для управления устьем скважины, буровые принадлежности, цементировочное оборудование и инструменты и т. д.





