
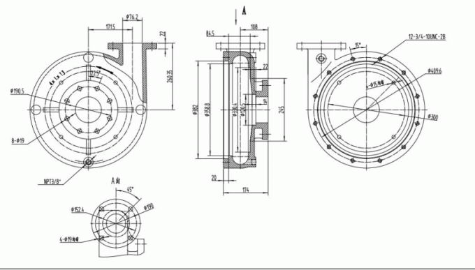
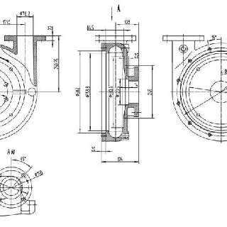
Состав корпуса PN G0006026 Запчасти насосов
Система верхнего привода является обновленной технологией бурения,заменяет технологию вращающегося стола, приводящего келли. Система верхнего привода может значительно повысить эффективность бурения,сэкономить ручную работу и сэкономить затраты на бурение много.


Topland может предоставить широкий ассортимент корпусов с или без накладки для основных марок всех серий тяжелых центробежных насосов.
У нас есть гибкое железо, жесткое железо, высокохромный железный материал для выбора, если количество в порядке, мы принимаем на заказ крутящий механизм в бронзе,Нержавеющая сталь и другие специальные материалы, не пользующиеся популярностью.
Все винтные механизмы имеют инвестиционный литье или смоло-литье с маринованием (кислотным промыванием) в качестве наших деталей, которые также доступны в литой стали в пользу пластиковой.Все остальные размеры литые смолой с маринованием (кислотным промыванием) для обеспечения гладкой поверхностиЧтобы гарантировать качество, мы тщательно проверяем отверстия с нитками, устанавливая их болты, чтобы убедиться, что нитки чистые и прозрачные.Все корпуса, конечно, проверены на давление и все винтики и динамические сбалансированныеКаждый корпус подвергается тестам давления перед отправкой.
Если у вашей компании есть какие-либо конкретные требования к упаковке, от маркировки литейных изделий до этикетки коробки,Пожалуйста, дайте нам знать..
Мы можем поставлять популярные марки заменяемых винтов, ниже часть по. для вашего подтверждения взаимозаменяемость.






